| ¡¡ |
BEARING DIVISION


















¡¡
¡¡
¡¡
¡¡
¡¡
¡¡ |
|
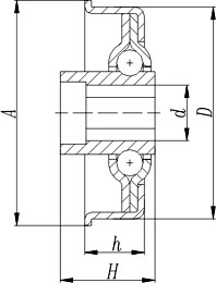
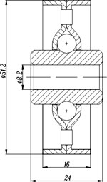
Flanged cup Bearing |
Page 1 |
|
 |
 |
 |
|
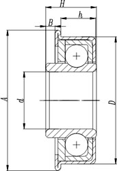
A-A |
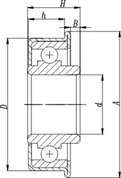
A-B |
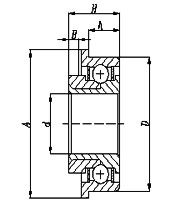
A-C |
|
ITEM NO. |
DIMENSION(mm) |
BALL |
|
D |
d |
A |
H |
h |
B |
DIA. |
NO. |
|
A-A01 |
23 |
11.2 |
26 |
9.4 |
62 |
2 |
5/32' |
12 |
|
A-A02 |
28.6 |
12.7 |
32 |
11.5 |
81 |
2 |
5/32' |
16 |
|
A-A03 |
35 |
16 |
38 |
12 |
98 |
1 |
1/4' |
10 |
|
A-A04 |
50.8 |
25.6 |
54 |
17 |
11.4 |
3.5 |
1/4' |
19 |
|
|
|
|
|
|
|
|
|
|
|
A-B01 |
23 |
11.2 |
26 |
9.4 |
6.2 |
2 |
1/8' |
16 |
|
A-B02 |
28.6 |
12.7 |
32 |
11.5 |
81 |
2 |
3/16' |
13 |
|
A-B03 |
35 |
16 |
38 |
12 |
98 |
1 |
5/32' |
20 |
|
A-B04 |
50.8 |
25.6 |
54 |
17 |
11.4 |
3.5 |
1/4' |
19 |
|
A-B05 |
50.8 |
25.7 |
54 |
16.2 |
11.4 |
2.8 |
1/4' |
19 |
|
A-B06 |
50.8 |
25.5 |
54 |
16.2 |
11.4 |
2.8 |
1/4' |
19 |
|
A-B07 |
50.8 |
25.7 |
54 |
19.4 |
11.4 |
6 |
1/4' |
19 |
|
|
|
|
|
|
|
|
|
|
|
A-C01 |
23 |
8 |
25.2 |
11 |
7.8 |
1.6 |
1/8' |
17 |
|
A-C02 |
27 |
9.5 |
30 |
11.2 |
8 |
1.6 |
5/32' |
15 |
|
A-C03 |
27 |
8 |
30 |
11.2 |
8 |
1.6 |
5/32' |
15 |
|
A-C04 |
28.6 |
12.8 |
31.6 |
12.8 |
8 |
3.2 |
5/32' |
16 |
|
A-C05 |
50.8 |
25.6 |
54 |
17 |
11.4 |
3.5 |
1/4' |
19 |
¡¡ |
|
 |
¡¡ |
|
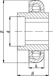
Flanged
cup bearing |
Page 2
|
|
 |
 |
 |
|
JHG-A |
JHG-B |
|
ITEM NO. |
DIMENSION(mm) |
BALL |
|
A |
d |
D |
H |
h |
DIA. |
NO. |
|
JHY-A01 |
43.6 |
12 |
40 |
16.7 |
11 |
1/16' |
15 |
|
JHY-A02 |
50 |
15 |
47.7 |
20 |
16 |
1/16' |
15 |
|
|
|
|
|
|
|
|
|
|
JHY-B01 |
50.7 |
12 |
47.8 |
16.6 |
14.1 |
1/16' |
13 |
|
|
|
|
|
|
|
|
|
|
JHY-C01 |
50.8 |
8.2 |
79.6 |
13.3 |
11.2 |
1/16' |
12 |
¡¡ |
|
 |
¡¡ |
|
Flanged
cup bearing |
Page 3 |
|
 |
 |
|
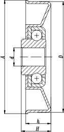
I-A |
I-B |
|
ITEM NO. |
DIMENSION(mm) |
BALL |
|
A |
d |
D |
H |
h |
DIA. |
NO. |
|
I-A01 |
25 |
8 |
23.6 |
14.5 |
9.5 |
1/8' |
15 |
|
I-A02 |
38 |
12 |
35.3 |
15.5 |
11.5 |
5/32' |
18 |
|
I-A03 |
50 |
12 |
47.6 |
18 |
13 |
3/16' |
19 |
|
I-A04 |
60 |
12 |
56 |
20.2 |
15.6 |
1/4' |
17 |
|
I-B01 |
25 |
8 |
23.6 |
14.5 |
9.5 |
1/8' |
15 |
|
I-B02 |
38 |
12 |
35.6 |
15.5 |
11.5 |
5/32' |
18 |
|
I-B03 |
50 |
12 |
47.6 |
18 |
13 |
3/16' |
19 |
|
I-B04 |
60 |
12 |
23.3 |
20.2 |
15.6 |
1/4' |
17 |
¡¡ |
¡¡ |
|
Flange
bearing |
Page 4 |
|
 |
 |
 |
|
J |
|
J-B |
|
ITEM NO. |
DIMENSION(mm) |
BALL |
|
D |
d |
H |
h |
NO. |
DIA. |
|
J-01 |
23 |
11.2 |
15 |
8 |
9 |
1/8' |
|
J-02 |
28 |
13.1 |
15 |
8 |
9 |
1/8' |
|
J-03 |
35 |
16.8 |
28 |
8.5 |
9 |
5/32' |
|
J-04 |
50 |
25.6 |
23 |
10 |
9 |
1/4' |
¡¡ |
|
 |
¡¡ |
|
Special ball bearing |
Page 5 |
|
 |
 |
 |
|
E-A |
|
E-B |
|
ITEM NO. |
DIMENSION(mm) |
BALL |
|
D |
d |
H |
h |
NO. |
DIA. |
|
E-A01 |
28 |
10.1 |
8 |
7.6 |
13 |
5/32' |
|
E-A02 |
28 |
12.1 |
8 |
7.6 |
13 |
5/32' |
|
E-A03 |
28 |
10.1 |
10.1 |
7.6 |
13 |
5/32' |
|
E-A04 |
28 |
12.1 |
10.1 |
7.6 |
13 |
5/32' |
|
E-A05 |
28 |
12.3 |
11.8 |
7 |
13 |
5/32' |
¡¡ |
|
 |
¡¡ |
|