| ¡¡ |
BEARING DIVISION


















¡¡
¡¡
¡¡
¡¡
¡¡
¡¡ |
|
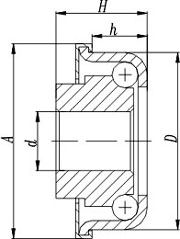
Products---Flanged cup Angular contact Bearing |
|
|
|
 |
 |
 |
|
W-A |
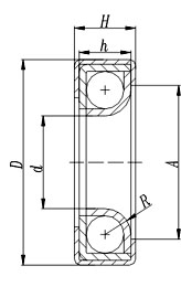
W-B |
W-C |
|
ITEM NO. |
DIMENSION(mm) |
BALL |
|
D |
d |
A |
H |
h |
B |
DIA. |
NO. |
|
W-A01 |
22 |
8 |
|
25 |
20 |
|
1/8' |
28 |
|
W-A02 |
28 |
12 |
|
35 |
30 |
|
5/32' |
30 |
|
W-A03 |
28 |
15 |
|
25 |
20 |
|
1/8' |
42 |
|
|
|
|
|
|
|
|
|
|
|
W-B01 |
26.1 |
8 |
31.3 |
13 |
8.5 |
|
5/32' |
15 |
|
W-B02 |
26.1 |
10 |
31.3 |
13 |
8.5 |
|
5/32' |
15 |
|
W-B03 |
26.1 |
12 |
31.3 |
13 |
8.5 |
|
5/32' |
15 |
|
W-B04 |
26.1 |
12 |
31.3 |
12.3 |
8.5 |
|
5/32' |
15 |
|
W-B05 |
27.1 |
12.1 |
30.2 |
12.3 |
8.5 |
|
3/16' |
12 |
|
|
|
|
|
|
|
R |
|
|
|
W-C01 |
27 |
12 |
19.1 |
9.1 |
7.9 |
2.4 |
5/32' |
15 |
|
W-C02 |
32 |
15 |
23 |
9.1 |
7.9 |
3.6 |
3/16' |
15 |
|
W-C03 |
32 |
15 |
26.2 |
12.3 |
10.7 |
|
1/4' |
12 |
|
W-C04 |
40 |
20 |
31.8 |
12.7 |
11.9 |
|
3/16' |
19 |
¡¡ |
|
 |
¡¡ |
¡¡ |