NINGBO AMOL MACHINERY CO.,LTD.

 
 
      info@amolbearing.com
  主页 产品图片 产品 质量控制 服务 厂房车间 English Ver.     宁波安牧 机械有限公司
           
           
 

     轴承分类

球面轴承

非标球轴承

万向滚珠

传动带轮

带法兰角接触轴承

传动轮

塑料门窗滑轮

滚动轴承

滚轮

移门滑轮

带滑轮

输送链滑轮

吊链滑轮

触轮

吊链架

链轮齿

铸链

悬吊传送链

 

 

 

 

 

 



 

 Products---BALL TRANSFER UNIT

 

01-A

ITEM

d
(mm)

d1
(mm)

D
(mm)

D1
(mm)

h
(mm)

H
(mm)

L
(mm)

L1
(mm)

S
(mm)

St.Lo.(kg)

Da.Lo.(kg)

Weight
(g)

O1-A

5.5

25.4

42

50

24

30.3

55.5

69

1.2

25

30

142

Material:Zincing Carbon Steel  Ball:Carbon Stell、Plastic

 

 

 

 

 

01-B

ITEM

d
(mm)

d1
(mm)

D
(mm)

D1
(mm)

h
(mm)

H
(mm)

L
(mm)

L1
(mm)

S
(mm)

St.Lo.(kg)

Da.Lo.(kg)

Weight(g)

O1-B

5.5

25.4

42

50

24

30.3

56

69

1.2

25

30

136

O1-C

4.2

16

27.8

32.8

5

19.7

40

50

0.6

15

20

38

Material:Zincing Carbon Steel  Ball:Carbon Stell、Plastic

 

 

 

 

 

02

ITEM

d
(mm)

D
(mm)

H
(mm)

L
(mm)

L1
(mm)

St.Lo.(kg)

Da.Lo.(kg)

Weight(g)

O2

7

65.5

46.4

62

77

190

250

480

Material:Zincing Carbon Steel  Ball:Carbon Stell、Plastic

 

 

 

 

 

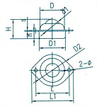
03

ITEM

d
(mm)

D
(mm)

D1
(mm)

D2
(mm)

D3
(mm)

L1
(mm)

L2
(mm)

L3
(mm)

St.Lo.(kg)

Da.Lo.(kg)

Weight(g)

O3

5.5

25.4

71

55

40

16

3

13.5

45

55

147

Material:Zincing Carbon Steel  Ball:Carbon Stell、Plastic

 

 

 

 

 

04

ITEM

ф
(mm)

d1
(mm)

D
(mm)

D1
(mm)

D2
(mm)

h
(mm)

H
(mm)

L
(mm)

L1
(mm)

S
(mm)

St.(kg)

Da.(kg)

Weig.(g)

04

5.5

25.4

42

44.5

55

13.8

32

56

70

1.2

25

30

158

Material:Zincing Carbon Steel  Ball:Carbon Stell、Plastic

 

 

 

 

 

05

ITEM

d
(mm)

D
(mm)

D1
(mm)

h
(mm)

H
(mm)

S
(mm)

St.Lo.(kg)

Da.Lo.
(kg)

Weight
(g)

05

15.9

24.5

32

15

21.3

11

13

17

44

Material:Zincing Carbon Steel  Ball:Carbon Stell、Plastic

 

 

 

 

 

06

ITEM

D
(mm)

D1
(mm)

D2
(mm)

d
(mm)

L1
(mm)

L2
(mm)

L3
(mm)

St.Lo.(kg)

Da.Lo.
(kg)

Weight
(g)

06-A

19.05

16

23

M6

14

27

22

30

40

50

06-B

25.4

25

31

M8

20

36

28

40

50

127

Material:Zincing Carbon Steel  Ball:Carbon Stell、Plastic

 

 

 

 

 

07

ITEM

D
(mm)

d1
(mm)

D1
(mm)

S
(mm)

h
(mm)

H
(mm)

St.Lo.(kg)

Da.Lo.
(kg)

Weight
(g)

07

45

22.2

36

20.7

23.5

30.5

250

250

180

Material:Zincing Carbon Steel  Ball:Carbon Stell、Plastic

 

 

 

 

 

08

ITEM

d
(mm)

d1
(mm)

D
(mm)

h
(mm)

H
(mm)

L
(mm)

L1
(mm)

S
(mm)

St.Lo.(kg)

Da.Lo.
(kg)

Weight
(g)

08

7

25.4

44

24

32

68

86

4

40

50

58