NINGBO AMOL MACHINERY CO.,LTD.

 
 
      info@amolbearing.com
  主页 产品图片 产品 质量控制 服务 厂房车间 English Ver.     宁波安牧 机械有限公司
           
           
 

     轴承分类

球面轴承

非标球轴承

万向滚珠

传动带轮

带法兰角接触轴承

传动轮

塑料门窗滑轮

滚动轴承

滚轮

移门滑轮

带滑轮

输送链滑轮

吊链滑轮

触轮

吊链架

链轮齿

铸链

悬吊传送链

 

 

 

 

 



 

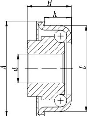
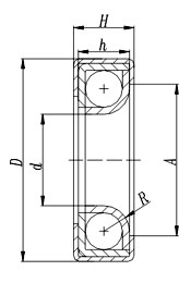
Products---Flanged cup Angular contact Bearing

 

W-A

W-B

W-C

ITEM NO.

DIMENSION(mm)

BALL

D

d

A

H

h

B

DIA.

NO.

W-A01

22

8

 

25

20

 

1/8'

28

W-A02

28

12

 

35

30

 

5/32'

30

W-A03

28

15

 

25

20

 

1/8'

42

 

 

 

 

 

 

 

 

 

W-B01

26.1

8

31.3

13

8.5

 

5/32'

15

W-B02

26.1

10

31.3

13

8.5

 

5/32'

15

W-B03

26.1

12

31.3

13

8.5

 

5/32'

15

W-B04

26.1

12

31.3

12.3

8.5

 

5/32'

15

W-B05

27.1

12.1

30.2

12.3

8.5

 

3/16'

12

 

 

 

 

 

 

R

 

 

W-C01

27

12

19.1

9.1

7.9

2.4

5/32'

15

W-C02

32

15

23

9.1

7.9

3.6

3/16'

15

W-C03

32

15

26.2

12.3

10.7

 

1/4'

12

W-C04

40

20

31.8

12.7

11.9

 

3/16'

19